1st Generation¶
Major customers¶
GECSS-Kenya、OVK
Composition and description¶
1. Battery (OVES)¶

2. MCU(LB)¶
Electrical architecture diagram

Dimension

Connector definition


LB-MCU Program Upgrade and Upper Computer Usage Tutorial
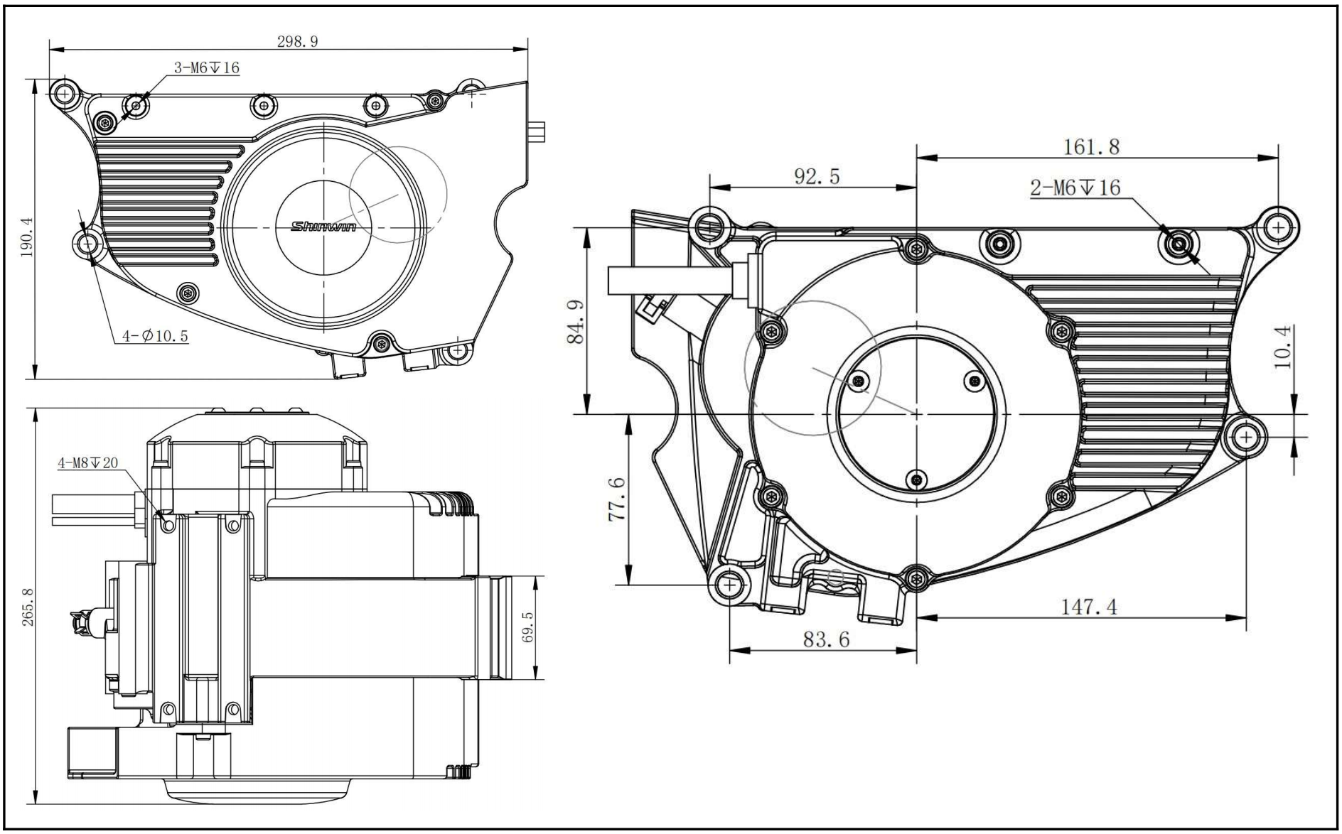
Motor (XW)¶
Motor Pictures

Main Parameters


Dimension

Wiring Diagram

Instrument(GL)¶
This multimedia instrument integrates meters and audio entertainment, and adopts one-wire communication. It features high-fidelity Bluetooth hands-free calling and incoming call voice announcement, which greatly facilitates riders to answer and hang up calls and increases driving safety. The peak power of the Bluetooth speaker is 20W. Tuned by professional masters, it delivers bright and lively treble, rich and shocking bass, and delicate and rhythmic midrange.
Instrument Pictures

Wiring Diagram
6-core DJ7061A-2.8-11 connector

| PIN脚 | 颜色color | 定义definition | 信号说明description |
|---|---|---|---|
| 1 | 黑色black | GND | 电源负极negative |
| 2 | 棕色brown | 大灯headlight | 高电平有效active high |
| 3 | 橙色orange | 左转turn left | 高电平有效active high |
| 4 | 红色red | VCC | 电源正极positive |
| 5 | 白色white | 一线通single line communicate | 3.3V或5V |
| 6 | 蓝色blue | 右转turn right | 高电平有效active high |
VCU¶
1. Overview¶
VCU is a central controller for electric motorcycles. It adopts 4G communication mode, supports real-time positioning via GPS and Beidou, and integrates BLE 4.2 Bluetooth communication. It is applied to electric bicycles, electric motorcycles and other devices. Through the central controller, it realizes functions such as background data interaction, vehicle positioning, remote control, scan code unlocking, and Bluetooth control unlocking.
2. Functional Features¶
a) Flame-retardant nylon shell, which is fireproof, anti-fall, anti-vibration, waterproof and moisture-proof. It is equipped with standard waterproof connectors, and the product protection level is IP67.
b) 4G CAT1 communication, supporting LTE-FDD B1/B3/B5/B7/B8/B20 and backward compatible with GPRS network, with lower power consumption and more comprehensive network coverage.
c) Supports multi-mode positioning of GPS, Beidou and AGPS, with positioning accuracy less than 5 meters in open areas.
d) Supports low-power Bluetooth 4.2, adapting to more mobile phone terminals.
e) Input voltage 10-100V, suitable for more models.
f) Supports RS485, CAN, UART, and can communicate with batteries and controllers respectively to obtain power, voltage and fault information.
g) Supports OTA program upgrade function.
h) MQTT industrial standard protocol, making platform access simpler and debugging convenient.
3 Wiring Definition¶
6-core DJ7061A-2.8-11 connector wiring definition
| PIN | Color | Definition | Signal Description |
|---|---|---|---|
| 1 | Black | GND | Power negative |
| 2 | Red | VCC | Power positive (9-100V) |
| 3 | Blue | CAN_H | CAN high |
| 4 | White | CAN_L | CAN low |
| 5 | Yellow | Single Line communication | 3.3V or 5V |
| 6 | / | / | / |
Communications Architecture¶
